Электропривод RVE(H) для шаровых кранов BV3
Электроприводы применяются в системах отопления, вентиляции и кондиционирования воздуха для управления и позиционирования шаровых кранов различных размеров. Класс защиты IP54.
Электроприводы могут эксплуатироваться при температуре от -30 до +50 °С.
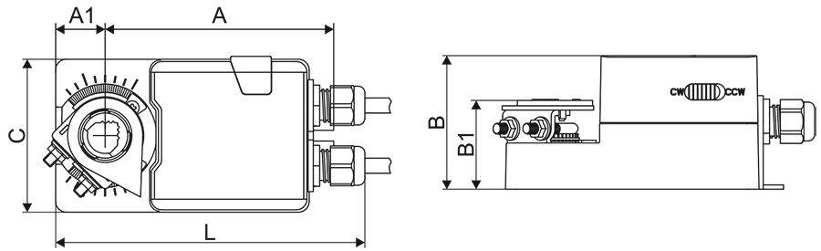
Габаритные размеры электроприводов

|
Модель |
A |
А1 |
B |
В1 |
C |
L |
Размер вала (оси), мм |
Масса, кг |
|
RVE02-24P(H) RVE05-24P(H) |
106,5 |
23,1 |
62,1 |
42 |
71,1 |
144,1 |
□6...16 / 5х5...12х12 |
<0,8 |
Технические характеристики электроприводов
|
Модель |
Номинальное напряжение, В |
Крутящий момент, Н·м |
Условный диаметр |
Потребляемая мощность, при вращении/ в состоянии покоя, Вт |
Рабочая температура, °С |
Время срабатывания, с |
Управление |
|
RVE02-24P(H) |
24 |
2 |
DN15(½“) DN20(¾“) |
3,0/1,0 |
-30...+50 |
<40 |
Плавная регулировка сигналом 0(2)…10В/ 0(4)-20мА |
|
RVE05-24P(H) |
5 |
DN15(½“) DN20(¾“) DN25(1“) DN32(1¼“) |
<60 |
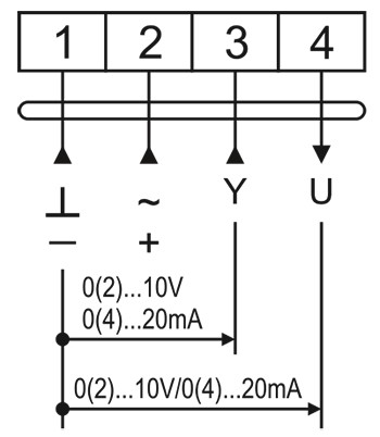
Электрическая схема подключения
Не представленные в наличии модели доступны к поставке под заказ
Оповестить о поступлении
Всю необходимую информацию также можно получить по телефону «горячей линии»
+ 7 800 200 93 96или по телефону
+7 800 505 08 67 получить консультацию